Tach Wiring Schematic 7

Electric Diagram (M984E1) (Sheet 6 of 6)  Tach wiring schematic By FO-1. Electric Diagram (M984E1) (Sheet 6 of 6)
duramax-ТРЕЙЛЕР-ТОРМОЗ-УПРАВЛЕНИЕ-ПРОВОДКА-СХЕМА-image  Tach wiring schematic By Duramax TRAILER BRAKE CONTROL СХЕМЫ ПРОВОДКИ Руководство пользователя
TELTONIKA FMB640 распиновка разъема GPS трекера  Tach wiring schematic By TELTONIKA FMB640 распиновка разъема GPS трекера
Storm32-nt-wiring-scheme-v1x docu.jpg. Tach wiring schematic By What is STorM32 NT about? - STorM32-BGC Wiki
HEATHKIT HA-14 LINEAR PA HA14 SSB HA 14  Tach wiring schematic By HEATHKIT HA-14 SSB LINEAR PA SCH Service Manual download, schematics, eeprom, re
Stratocaster® wiring with 1 Push Pull Volume for 7 sounds, 1 Tone (Neck), 1... Tach wiring schematic By Strat 1V-2T-5-way-PP-7 Sounds-Bridge Tone Nick Silver Pickups
STM32H745I-DISCO Schematic and Documentation Error. Tach wiring schematic By Solved: STM32H745I-DISCO Schematic and Documentation Error - STMicroelectronics
CabSim-Mod-Jeff02  Tach wiring schematic By Tube-Town GmbH - Cab-Sim
Stripped Down Cbr600f4 Wiring Diagram. stripped-down-cbr600f4-wiring-diagra... Tach wiring schematic By Honda Cbr 600 F4i Wiring Diagram - Your Ultimate Guide to Wiring Diagrams!
Maybe support for the TAСH will be added at a later date.  Tach wiring schematic By HOWTO using 4pin PC fan - arendst Tasmota - Discussion 13090 - GitHub
TELTONIKA FMB240 распиновка разъема GPS трекера  Tach wiring schematic By TELTONIKA FMB240 распиновка разъема GPS трекера
L298N Driver  Tach wiring schematic By How to use the L298N motor driver module - Hackster.io
Above: TD124 mk1 power hook-ups (site author's dwg).  Tach wiring schematic By The Analog Dept.
Lambretta Wiring Diagrams from A Model to GP (DL) . Tach wiring schematic By Lambretta Wiring Diagrams from A Model to GP (DL) - Scooterproducts
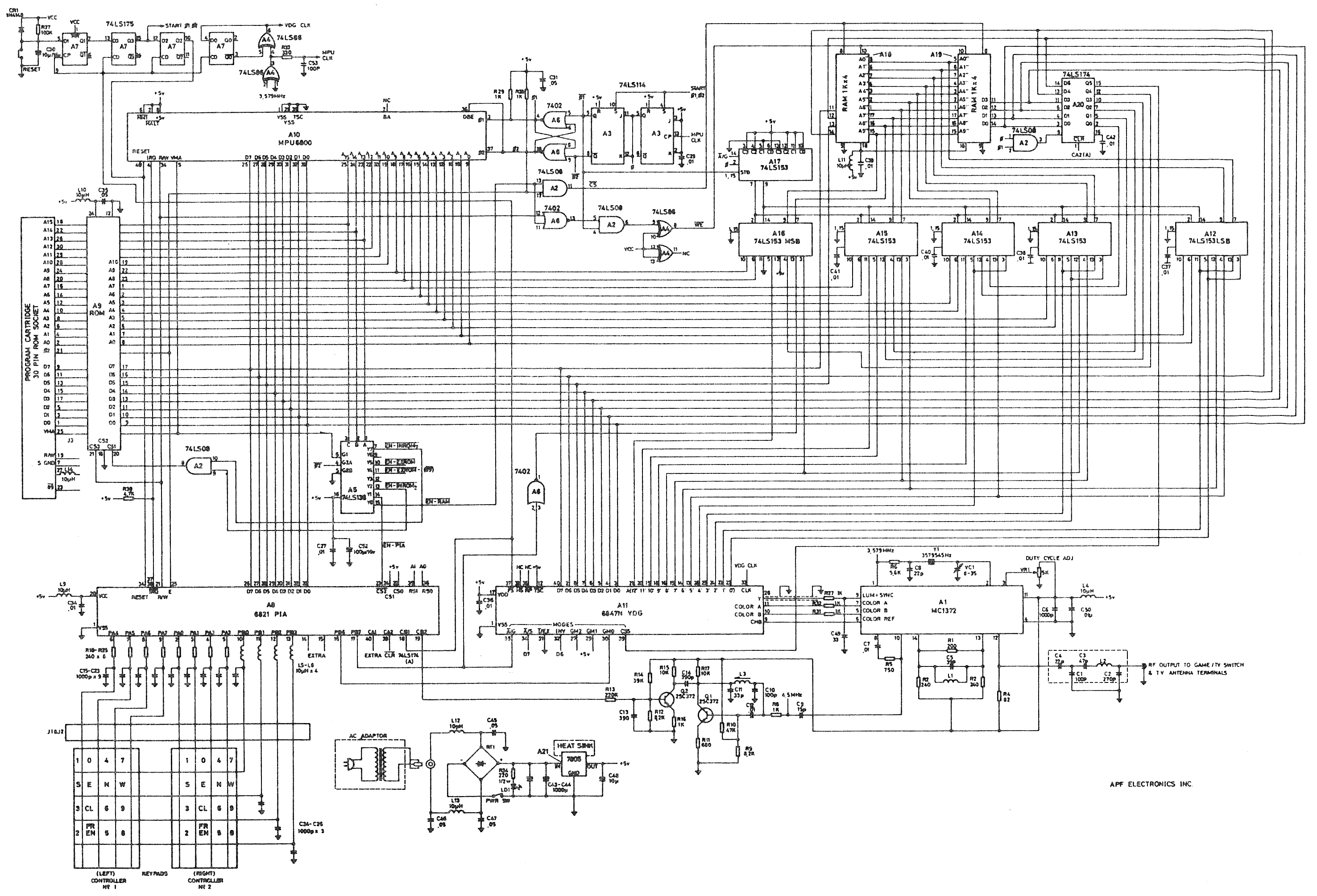
Thumbnail for version as of 18:44, 28 October 2013.  Tach wiring schematic By File:APF-MP1000-Schematic.png - TechWiki
OnOff Switching Electric Heating Relay with Built-in 24 V Transformer by A... Tach wiring schematic By Is it possible to control my gas fireplace with one of your thermostats? - Sinop

No comments

Your email address will not be published. Required fields are marked *

You might like